新聞中心
速凍機-食品裝盒機-熱收縮包裝機-裝箱機工作流程
發布者:勝泰機械 發布時間:2022/9/19
溫州勝泰機械自主研發設計速凍機-食品裝盒機-熱收縮包裝機-裝箱機包裝連線設備,大量節約了人工成本。
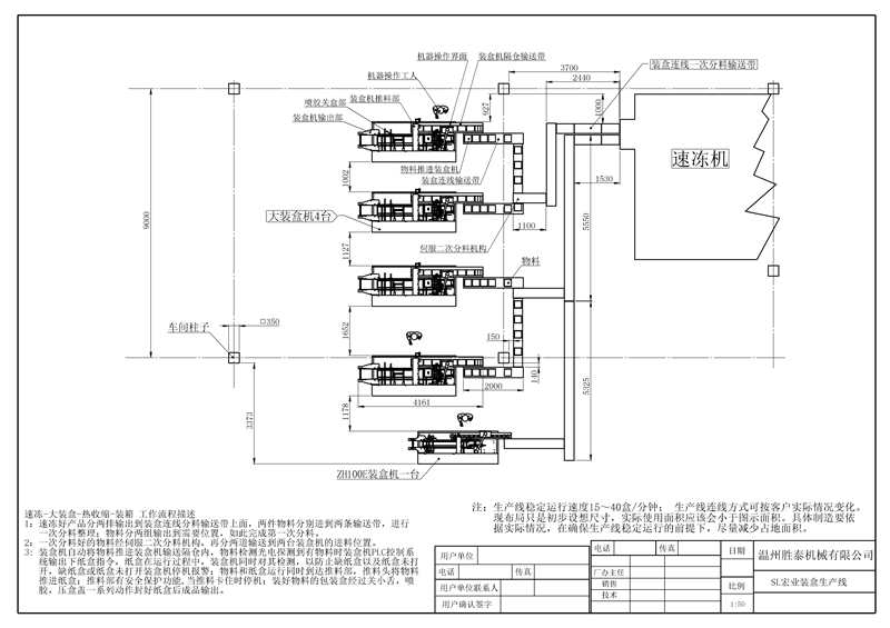
速凍機-食品裝盒機-熱收縮-裝箱工作流程
1、速凍好的食品分兩排輸出到裝盒連線分料輸送帶上面,兩件物料分別進到兩條輸送帶,進行一次分料整理;物料分兩組輸出到需要位置,如此完成第一次分料。
2、一次分料好的物料經伺服二次分料機構,再分兩道輸送到兩臺裝盒機的進料位置。
3、裝盒機自動將物料推進裝盒機輸送隔倉內,物料檢測光電探測到有物料時裝盒機PLC控制系統輸出下紙盒指令,紙盒在運行過程中,裝盒機同時對其檢測,以防止缺紙盒以及紙盒未打開,缺紙盒或紙盒未打開裝盒機停機報警,物料和紙盒運行同時到達推料部,推料頭將物料推進紙盒;推料部有安全保護功能,當推料卡住時停機,裝好物料的包裝盒經過關小舌,噴膠,壓盒蓋一系列動作封好紙盒后成品輸出。
注:生產線穩定運行速度15~40盒/分鐘,生產線連線方式可按客戶實際情況變化。


English